Схема подключения датчика измерения влажности воздуха, его настройка и установка
В большинстве случаев такие датчики монтируются на твердую поверхность. Корпус может закрепляться на стене винтами (он твердый, прочный и выполнен из огнеупорного пластика). Внутри корпуса гигрометра расположен клеммник с контактами, который используется для подключения (задействуется схема, предоставленная производителем).
Подключение производится кабелем через кабельный ввод, при этом соответствующую гайку обязательно затягивают до упора, чтобы сохранить герметичность корпуса (в большинстве моделей он соответствует классу защиты от внешних воздействий IP65). Также можно использовать экранированный кабель, если предполагается, что устройство будет работать в зоне с высоким уровнем электромагнитных помех. Настройка и калибровка производятся после подключения в «рабочих» условиях.
Виды датчиков движения
Есть множество классификаций регистрирующих движение приборов, но главным остаётся принцип градации по типу устройства. Для того, чтобы почувствовать движение, прибору нужно зарегистрировать изменение определённых параметров. Реализовано это может быть различными способами – с помощью микроволн, ультразвуковых колебаний и других физических явлений. Такие датчики являются активными – они постоянно испускают поток излучений, а после появления движущегося тела регистрируют отражения волновых колебаний.
Мнение эксперта
Яковлев Алексей Сергеевич
Электрик с 20 летним стажем и богатым опытом
В жилых помещениях, в том числе для интеграции с системой «Умный дом», чаще всего применяются инфракрасные датчики. Они имеют целый ряд достоинств, которые делают их оптимальными для исполнения задач.
Дистанционный контроль над розетками
Умная розетка, с технической точки зрения, бывает двух типов:
- Насадка-переходник между домашней сетью и подключаемым прибором. Вставляется в обычную розетку, а уже в неё – штепсель электробытового прибора. Плюсы такого решения, это мобильность: при необходимости смарт-насадку можно переключить к другой домашней розетке.
- Встраиваемый вариант. Монтируется непосредственно на стену и подключается к питающей электропроводке. Преимущество стационарной смарт-розетки состоит в её незаметности в интерьере, в отличие от устройств-насадок.
Главная функция умных розеток – это размыкание и замыкание электросети в удалённом или автоматическом режиме. Допустим, уйдя из дома, вы не можете вспомнить, отключили ли вы утюг или электроплиту. Чтобы обезопасить своё жилище от возможного пожара, достаточно подать через смартфон или планшет команду на базовый модуль об отключении конкретной умной розетки.

После получения команды от пользователя, базовый модуль «умного дома» посредством беспроводной связи отключает смарт-розетку, обесточивая бытовой прибор. Кроме возможности удалённого отключения, устройства дистанционного контроля над розетками могут оснащаться таким дополнительным функционалом:
- Отслеживание параметров сети в месте подключения электроприбора. Данные о напряжении и силе тока, температуре проводки, позволяют вовремя диагностировать вероятность короткого замыкания или перегрева электросети. При такой опасности сигнал отправляется на мобильное устройство пользователя, либо электронный мозг «умного дома» самостоятельно обесточивает розетку.
- Включение и отключение прибора в соответствии с заданными временными параметрами. Для этого используется возможность программирования определённого сложного сценария через базовый модуль либо использование встроенного в смарт-розетку таймера.
- Функция электросчётчика. Некоторые модели умных розеток способны подсчитывать количество потребляемой электроэнергии и передавать информацию на центральный модуль, а оттуда – на смартфон домовладельца.
- Модели смарт-розеток, оснащаемые СИМ-картой способны самостоятельно, при помощи интернета, устанавливать связь с владельцем, передавая ему необходимую информацию.
Среди наиболее популярных моделей смарт-розеток на сегодня можно выделить следующие 5 :
| Модель | Способ передачи данных | Число каналов | Максимальная мощность | Дальность приёма сигнала |
| Trust APA3-1500R | Радиосигнал | 3 | 1,5 кВт | 30м |
| Trust AGDR-3500 | Радиосигнал | 6 | 3,5 кВт | 70м |
| Телеметрика Т-40 | GSM | 4 | 3,5 кВт | — |
| ELANG PowerControl | GSM | 1 | 2,6 кВт | — |
| IQSocket Mobile | GSM | 1 | 3,5 кВт | — |
Датчики открытия и закрытия дверей
Устройства для умного дома, реагирующие на открытые окна и двери, являются составляющей общедомовой системы безопасности. Они вовремя известят хозяев о визите незваных гостей в их отсутствие. Работают они по принципу размыкания контактов при открытии, что вызывает тревожную сработку прибора. Устройства, в зависимости от набора функционала, могут отправлять владельцу извещение в виде СМС-рассылки, подавать сигнал сотрудникам охранной организации, включать сирену и дежурное освещение.
Устанавливаться датчики открытия могут на любые двери, створки окон, гаражные и уличные ворота. Среди наиболее популярных моделей можно указать:
- Комплект SkyGuard RG-SK31S.
- Xiaomi smart mi – беспроводной детектор.
- Комплект Invin SC-4, включающий камеру и 5 детекторов.

Кроме охранных функций, подобные приборы могут выполнять энергосберегающую роль. Например, предупреждать хозяев о незакрытых дверях и окнах при включенном обогревателе.
Схемы подключения
Датчик влажности может иметь самое различное назначение, от чего и будет зависеть схема его подключения. В качестве простейшего примера рассмотрим вариант подключения к вытяжке.
Рис. 6. Пример подключения датчика влажности к вытяжке
Как видите на схеме, фазный проводник L подключается через коммутатор сенсора. При насыщении воздуха влагой до установленного предела контакты замкнуться и питание будет подано в цепь питания вентилятора. Что приведет к принудительному проветриванию помещения.
Рис. 7. Схема подключения датчика влажности к микроконтроллеру
Как видите, на данной схеме представлен принцип работы датчика влажности через аналоговый сигнал. Здесь подключение производится подключение выводов сенсора к клеммам микроконтроллера Ардуино:
- VCC к разъему 7 Arduino;
- GND к разъему GND;
- A0 к одноименному A0.
Настройка
Настройка датчика производится в соответствии с инструкций по вводу в эксплуатацию установленного прибора. В системе «Умный дом» используют датчик Mi Smart. Для настройки нужно установить приложение на смартфон или компьютер, чтобы в течение дня в удаленном режиме контролировать показатели влажности и температуры в помещении. Гибкие возможности ограничивающих значений в программном обеспечении позволяют задавать определенные параметры. Если состояние воздушной среды выходит за установленные рамки, то на электронное устройство приходит сообщение, и владелец дома может повысить или понизить температуру отопительных приборов, включить увлажнитель воздуха либо открыть окно для проветривания. Таким образом, можно поддерживать приемлемый микроклимат во всем доме.

Датчики протечки
Ещё один тип датчиков, значительно расширяющих возможности умного дома, это датчики протечки воды. Он способен распознать потоп в ванной комнате или кухне, и своевременно отключить водоснабжение. Детекторы протечки – незаменимая вещь, когда дома целыми днями никого нет. Неисправность кранов, прорыв водопровода, забитая канализация, могут привести к значительным затратам на новый ремонт не только в своей квартире, но и у соседей снизу.
Датчики протечки устанавливаются на полу в потенциально опасных местах – в кухнях, ванных, санузлах, – на пол. Чтобы под ногами у жильцов не мешались питающие провода, большинство таких детекторов работают на батареях или аккумуляторах. Попавшая внутрь прибора вода замыкает контакты, и он передаёт сигнал тревоги на центральный модуль, одновременно включая звуковой оповещатель.

Для большей эффективности работы датчиков протечки одновременно с ними устанавливают электронные запорные клапаны на водопроводные трубы. При поступлении тревожного сигнала электроника автоматически перекрывает воду, предотвращая дальнейшее затопление дома. Современные устройства детекции утечки воды:
- Xiaomi Mijia Aqara. Китайский детектор утечки, способный сигнализировать о протечке на смартфон жильцов. Сработка происходит при уровне воды на полу выше 0,5 мм.
- Kerui JY50001. При обнаружении протечки устройство передаёт радиосигнал на блок управления, идущий с ним в комплекте. Блок, в свою очередь, при помощи GSM-связи, отправляет СМС на телефон владельца.
- Topvico TP-206W-3. Состоит из электронного блока, устанавливаемого на стену, и прикреплённого к нему проводом датчика, размещаемого непосредственно на полу. Питается от батареи 9 вольт, предусматривает извещение об утечке при помощи звукового сигнала.
- Wofea ZC-S018. Данный детектор интегрируется в систему «умный дом» при помощи беспроводного радиоканала. Питание автономное, от батареи в 12В.
- НЕО COOLCAM NAS-WS01Z. Датчик подключается к центру управления через протокол Z-Wave. Хаб, принимая сигнал детектора, передаёт оповещение владельцу дома через WiFi.
Принцип действия инфракрасного датчика движения
Тепло, излучаемое живыми существами, – это излучение в инфракрасном спектре. Учитывая, что теплокровные животные имеют температуру тела от 30 до 40°С, сила этих лучей довольно велика и может быть зарегистрирована чувствительной аппаратурой. Внутри инфракрасного датчика обычно находится система линз (в более дешёвых – одна сегментная), которые концентрируют тепловое излучение на специальном элементе – пиродетекторе.
При превышении определённого порога (обычно он выставляется при монтаже и во многом обусловлен чувствительностью прибора) пироэлектрический элемент срабатывает и посылает сигнал на сопряжённые устройства.
На заметку. Тепло выделяют не только живые существа, но и кондиционер, работающий на обогрев, и система тёплого пола. Поэтому датчики движения проектируют таким образом, чтобы они срабатывали на скачкообразное изменение – то есть, появление в поле видимости человека. Правда, если солнце в окне «стрельнёт» лучами в линзу инфракрасного сенсора, устройство сработает. Именно поэтому его не размещают напротив окна и вешают всегда под потолком.
Из чего состоит умный дом
В умных домах нет единого стандарта, по которому все устройства могут общаться друг с другом. Одни работают по протоколу радиосвязи ZigBee, другие используют протокол Z-wave, третьим достаточно вайфая, а кто-то использует собственный закрытый протокол связи. Это нужно учитывать при сборке умного дома — может так получиться, что умные лампочки не реагируют на команды от датчика движения, а замки не открываются по сигналу домофона.
В любом случае, какой бы стандарт связи между устройствами ни был выбран, умный дом состоит из трёх компонентов:
- Контроллеров — они управляют всем умным домом в целом.
- Датчиков — они собирают информацию о том, что происходит в доме, например не протекают ли батареи, или следят, чтобы в помещении не было дыма.
- Исполнительные устройства, или актуаторы, — именно они выполняют всё, что вы хотите: включают свет, запускают вентиляцию, открывают замки или открывают ворота, когда подъезжает машина.

Умные офисы
Существуют аналогичные системы, но для корпоративного сектора – их перспективы несколько противоречивы, они могут как стать такими же “штучными” предметами, так и пойти в массы. Их функционал зачастую несколько отличается от “умных домов”, но вдаваться в детали не будем – при желании вы можете найти фото и видео, объясняющие эти различия.
Существует большое число факторов, которые будут направлять развитие данного рынка в России, и приводить их все мы не будем. Скажем лишь, что “умные офисы” имеют более высокие шансы на массовое распространение в России, и в ближайшие годы сценарий развития станет более ясен.
Мониторинг влажности с контрольно-измерительными приборами ЭКСИС
На основе изготавливаемых датчиков влажности АО «Экологические сенсоры и системы» разрабатывает автоматизированные системы многоканального типа, а также стационарные и мобильные варианты контрольно-измерительных приборов. Последние используются для мониторинга относительной влажности и температурных показателей (устройства линейки ИВТМ-7), при исследованиях микровлажности газов (линейка ИВГ-1).
Стоит отметить, что в изданиях научно-исследовательского и технического назначения понятие датчика влажности подразумевает устройства, в составе которых присутствует влагочувствительный элемент (сенсор) и электросхема для приема и преобразования сигнала от сенсора в необходимое значение. Именно поэтому устройства мониторинга часто именуют датчиками.
Разрабатываемые устройства задействуют при решении задач в условиях производств, обеспечения условий комфортной и безопасной деятельности работника в различных промышленных сферах. Примером может служить задействование приборов измерения в электронике, на химических предприятиях, атомных станциях и т. д.
Производимые приборы обладают всеми необходимыми характеристиками для объединения устройств в общую измерительную сеть. Комплектация такой сети может включать многоканальные и одноканальные приборы, сетевые и портативные модели, измерительные преобразователи. Работе инновационных измерительных систем характерно распределенная схема управления, удаленный контроль (в том числе посредством сети Интернет) и другие современные технологии контрольно-измерительных мероприятий.
КОМПЛЕКТ ОБОРУДОВАНИЯ УМНОГО ДОМА
Поскольку процесс автоматизации дома достаточно индивидуален, то 100% готовых решений и комплектов не существует. Безусловно, если вы решаете только одну конкретную задачу — тот же самый контроль отопления, то типовые решения производители вам предложат. Но окончательная комплектация оборудования останется за вами.
В качестве примера приведу выбор количества датчиков температуры. Если стоит задача контролировать только работоспособность отопительной системы, то достаточно установки одного термодатчика на «обратку». При необходимости регулировки температуры в различных помещениях датчиков уже потребуется больше.
Если вы используете электрические конверторы или аналогичные им обогревательные приборы, то вам для управления ими дополнительно потребуются реле. Таким образом, даже при одном и том же контроллере состав дополнительного оборудования в комплекте будет различен.
Как это не пародоксально звучит, но для построения системы интеллектуального управления загородным домом или квартирой надо самому быть достаточно умным.
В первую очередь это касается формулировки задач, стоящей перед системой управления. Поверьте, предусмотреть все и ничего не упустить — очень тяжело. Зато когда это будет сделано для формирования комплекта оборудования вам останется:
- выбрать центральный процессор (модуль управления), обладающий соответствующими возможностями;
- приобрести требуемое количество нужных датчиков и устройств управления;
- произвести программирование контроллера в соответствии с нужным вам алгоритмом.
Не тешьте себя иллюзиями — никакой готовый комплект умного оборудования от последнего пункта вас не избавит.
Один немаловажный совет — желательно чтобы все компоненты были от одного производителя и, желательно, в пределах одного модельного ряда. Это обеспечит гарантированную совместимость и избавит от многих неприятных «накладок».
Таким образом, при выборе производителя или бренда системы умный дом в первую очередь обращайте внимание на функциональный состав и возможности оборудования. Кроме того, не лишним будет оценить качество и полноту инструкций по настройке и эксплуатации, а также дружелюбность и интуитивную понятность инсталляционного и пользовательского интерфейсов.. Без толкового мануала работа с любой системой, будь она трижды умной может превратиться в каторжный труд
Оно вам надо?
Без толкового мануала работа с любой системой, будь она трижды умной может превратиться в каторжный труд. Оно вам надо?
Изготовление датчика влажности почвы своими руками
Еще одна популярная сфера применения датчика влажности (на этот раз воздуха) – это домашний инкубатор. Как известно, при нагреве инкубатора воздух внутри осушается. Это может привести к высокому проценту отбраковки яиц. Примитивные миски с водой не всегда дают должный эффект: без системы контроля вода испарится, а владелец инкубатора может пропустить этот момент. Для контроля необходим элементарный контроль с цифровым табло.
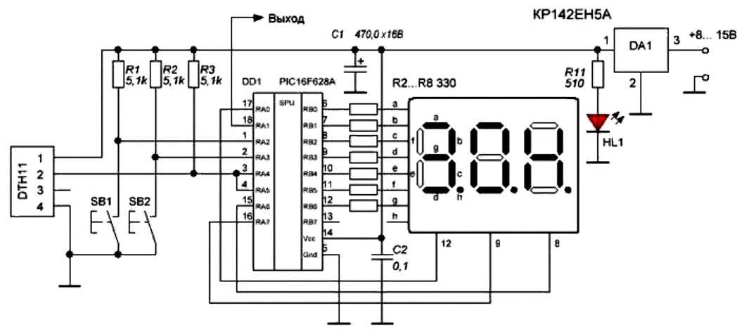
Если не рассматривать популярные готовые решения на Ардуино, можно собрать электронный детектор влажности воздуха на базе микросхемы PIC16F628A. Сенсор влажности, совместимый с такой логикой – DTH-11. Остальная элементная база – несколько согласующих резисторов и цифровое табло.

Данный контроллер имеет возможность как показывать уровень влажности в процентах, так и давать сигнал на исполнительное устройство для увлажнения. Снабдив его любым типом увлажнителя можно не беспокоиться о сохранности яиц в закладке.
Кроме того, данная схема позволяет подключить сенсор температуры. Таким образом, вы получаете полноценную систему климат контроля для инкубатора, работающую в автономном режиме.
Изготовление датчика влажности почвы своими руками на Arduino
Разумеется, сам сенсор изготавливать не нужно, эта деталь давно и успешно выпускается нашими друзьями из Поднебесной и стоит относительно недорого. Речь пойдет об интеграции датчика в систему управления для теплицы или балконной грядки.
Типичный пример: комплект FC-28.

Представляет собой емкостной детектор, соединенный с платой компаратора, выполненной на микросхеме LM393. В схеме присутствует потенциометр, с помощью которого можно произвести калибровку и задать условия для срабатывания датчика. Принципиальная схема устройства на иллюстрации:

Прибор не предназначен для мониторинга текущей влажности земли: его задача дать сигнал для включения системы автоматического полива. При достижении откалиброванного резистором порога сухости почвы, логический «0» на выходе компаратора меняется на «1» (контакт D0). Контроллер получает сигнал и дает команду исполнительному механизму полива.
В принципе, разработчик предусмотрел возможность снятия показаний для отображения на текстовом табло. Для этого используется аналоговый сигнал (A0) со схемы управления. Это не основной режим, но оператор всегда может увидеть влажность почвы в процентах.
Питание комплекта осуществляется с помощью источника 5 вольт с током до 35 мА. Это может быть блок питания или комплект батареек. Подойдет любая версия Arduino: например, UNO.
Схема может быть расширена датчиком уровня воды, световой и звуковой сигнализацией. Источником водоснабжения служит помпа, соединенная с контролируемым резервуаром. Типовая блок-схема готовой системы полива на емкостном датчике влажности представлена на иллюстрации:

Если запрограммировать контроллер Arduino на несколько грядок, можно применять систему на больших территориях: поле, теплица и пр.
Камеры интеллектуальные
Важной частью «умного» дома являются интеллектуальные камеры, иногда выполняющие роль управляющего хаба. Камеры работают в связке с другими устройствами, чаще всего, с датчиками движения или дверными звонками
При движении в поле зрения она активируется и начинает запись, также можно настроить прямую трансляцию на смартфон пользователя.
Интеллектуальная камера Xiaomi MiJia Mi Home security
Цена «умных» камер начинается от 1500 ₽ и доходит до 10–15000 ₽. Чем выше стоимость, тем больше функций будет и тем лучшее качество картинки вы получите.
Основное назначение интеллектуальной камеры — обнаружение движения и ее фиксация в помещении. Можно, например, активировать запись и обычной камеры при наличии датчика движения при входе в помещение, дополнительно установив их еще и на окнах.
Примеры «умных» камер:
- Xiaomi MiJia Mi Home security camera от 2700 ₽
- Aqara G2H Camera CH-H01 от 4400 ₽
- Wi-Fi камера Rubetec RV-3404 от 4300 ₽
Что такое умный дом
Прежде всего хотелось бы разобраться в терминологии, так как близкие по значению выражения часто имеют разный смысл. В нашем понимании «Умный дом» и американский «Smart house» не совсем равнозначные понятия. Существует два направления построения системы «Умный дом».
Под системой «умный дом» (англ. smart home) принято понимать систему домашней автоматизации. Прежде всего это комплекс специализированных устройств, которые могут принимать решения и выполняют рутинные задачи по дому. Такой «Умный дом» можно построить в отдельно взятой квартире. Перечисленные выше кофеварки, холодильники, системы микроклимата, умные лампочки, все это является составными частями умного дома. В России в это понятие часто включают систему управления мультимедийными устройствами, такими как: телевизоры, проекторы, акустические системы и т.д. Что касается Запада, то здесь существует разделение терминов: «умный дом» и системы управления мультимедийными устройствами. Это продиктовано рыночными условиями.
Что касается термина «умное здание» (англ
smart house), то он относится к организации управления целым домом, при чем не важно частным или многоквартирным, и состоит из системы центрального отопления, водоснабжения и безопасности
Понятно, что тратить деньги на «smart home» не совсем оправдано из-за сомнительной необходимости иметь в доме «умную лампочку» или холодильник, который будет «сливать» информацию о ваших аппетитах в сеть. А вот контролировать коммуникации и осуществлять охрану собственного жилища стоит, так как мы не настолько богаты, чтобы топить деньгами улицу или дарить годами нажитое добро ворам.
Виды и типы датчиков измерения влажности воздуха
При выборе конкретного типа датчика, исходя из его принципа работы, следует учитывать основные факторы:
- Какую величину влажности понадобится измерять – относительную или абсолютную;
- Где будет замеряться влажность – в воздухе, в почве, в образце материала;
- Имеет ли значение гистерезис, с какой точностью необходимы измерения и в каком диапазоне они будут проводиться.
Так, самыми точными датчиками считаются оптические, но они же и самые дорогие. Емкостные часто применяются в бытовой технике и в промышленном оборудовании. Их ключевое преимущество – устойчивость к высоким температурам и химическим испарениям. В быту чаще всего применяют резистивные детекторы, работающие с относительно малым временем отклика, от 10 до 30 секунд. Они могут работать в температурном диапазоне от -40 до +100 градусов, но чувствительны к химическим и масляным испарениям. Электронные хороши тем, что благодаря компьютерной калибровке работают с высокой точностью.
У всех этих моделей есть преимущества и недостатки, а также факторы, влияющие на точность измерений.
Взаимодействие с другими устройствами
Поскольку датчики лишь фиксируют изменения внешней среды, они почти всегда используются во взаимодействии с другими устройствами, которые при срабатывании датчика выполняют требуемые действия:
- включают звуковую сигнализацию, поднимают тревогу;
- рассылают уведомления;
- включают или выключают освещение и другие приборы;
- изменяют параметры работы климатической техники или других устройств.
Если датчики движения (охранные извещатели) устанавливаются в составе комплексных охранных систем (пультовой охраны), связи между устройствами настраиваются уже при установке, а их дальнейшее взаимодействие происходит через контроллер, который поставщик (государственная вневедомственная охрана или частная охранная организация) устанавливает вместе со всем остальным оборудованием.

Если пользователь приобретает датчики, сирены и умные выключатели от разных поставщиков и устанавливает их сам, то контроллер также устанавливается самостоятельно. Вместе с контроллером поставщики предоставляют доступ к аккаунту на специализированном веб-портале и мобильному приложению, которые позволяют самостоятельно настроить уведомления и взаимодействие устройств.
Преимущества владения умным домом


Конечно, умный дом дополняет современный мир и делает ваш дом футуристичным и сложным. Однако некоторые из наиболее фундаментальных характеристик имеют дополнительные преимущества, такие как энергоэффективность, затраты и безопасность.
Удобство
Упрощая жизнь, умные дома позволяют нам сосредоточиться на действительно важных для нас вещах, не беспокоясь о мелких деталях, таких как управление домом.
Технологии имеют дополнительное преимущество в повышении производительности, потому что это означает, что мы можем создать среду, в которой мы чувствуем себя наиболее комфортно и расслабленно, чтобы мы могли сосредоточиться на том, что нам нужно, не отвлекаясь. Легко и удобно управлять светом, телевизором и музыкой.
Домашние задачи и развлечения были в центре внимания дизайнеров при разработке умных домов.
Пожилые и уязвимые семьи
Устройства умного дома оказались полезными для людей, нуждающихся в дополнительной помощи в повседневной жизни, поскольку они могут регистрироваться, не выходя из дома.
Роль этого велика, поскольку уязвимые с медицинской точки зрения люди или те, кто считается инвалидом, могут не захотеть рисковать, подвергая себя травмам или заболеваниям, выходя на улицу.
Это также эффективный способ связаться с любимым человеком без его ведома, потому что легко запрограммировать сигнал тревоги, если он упадет или упадет.
Это отличный способ предоставить пожилым членам семьи необходимую им независимость, обеспечив при этом их безопасность и доступ к экстренным контактам и процедурам, если это необходимо.
Сохранность
Включайте свет, когда вас нет дома или в отпуске, чтобы казалось, что вы дома. Эту технологию можно использовать для наблюдения за вашим домом или даже за близкими людьми, а также для дистанционной блокировки механизмов.
Защита от кражи и домашняя безопасность являются одними из приоритетов пользователей умного дома.
Снижение затрат на электроэнергию
В долгосрочной перспективе, интеллектуальная домашняя технология позволяет сэкономить деньги на счетах за электроэнергию. Более подробное понимание энергопотребления вашего дома и более тщательный мониторинг могут показать вам области, в которых ваш дом может функционировать не так эффективно, как мог бы.
Сосредоточившись на этом и настроив время использования вещей, вы, вероятно, заметите, что ваши счета уменьшатся, поскольку вы будете использовать столько энергии, сколько вам нужно.
Умные дома могут точно определить области, в которых вы можете терять энергию, позволяя вам экономить и экономить деньги, используя только то, что вам нужно.
Например, интеллектуальные термостаты автоматически адаптируются к температуре наружного воздуха и будут нагревать или охлаждать ваш дом в соответствии с вашими предпочтениями.
Обеспокоенность
Некоторые вопросы, заданные об умных домах, выражают обоснованные опасения относительно общих затрат, зависимости от Интернета и домашней безопасности.
Во-первых, существуют значительные затраты на установку, но это следует учитывать только в том случае, если ваш бюджет ограничен
Более важно учитывать, что вы начнете экономить деньги в течение первых нескольких месяцев использования умного дома
Технология разработана с учетом контроля, и общий сценарий о том, как легко запереть себя вне дома. Это серьезная проблема, хотя есть напоминания, которые можно запрограммировать, чтобы проверить, есть ли у вас ключи.
Через подключение к Интернету также можно получить доступ в качестве основного пользователя с помощью телефона. Вам не всегда будут нужны ваши ключи в будущем.
Преимущества и недостатки системы «умного» дома
Плюсы:
- экономить время и получить комфорт, а также возможность освободить себе руки, переложить часть рутинных действий на автоматические сценарии;
- «умный» дом послужит средством полноценной системы охраны и безопасности, будь то простая система с датчиками открытия дверей и «умной» камерой или же специальные датчики дыма или утечки газа.
Минусы:
- не для всех гаджетов доступная цена — «умные» LED-лампочки стоят от 700 ₽ до 2000 ₽, в то время как их обычные аналоги можно найти в магазине за 100–200₽, аналогично и с другими элементами;
- избыточная функциональность «умного» дома, но это и делает его гибким по сути;
- привязка к беспроводной сети. При перебоях у вашего провайдера станет недоступным Wi-Fi-подключение и некоторые «умные» устройства потеряют часть своих функций, особенно если говорить про дистанционное управление, но можно купить роутер с резервным 4G-модемом.
Дополнительные функции
Это далеко не полный перечень приборов, используемых в системе «умный дом» для его полноценного функционирования. Научно-технический прогресс готов предложить огромное количество датчиков с самым разным функционалом:
- Датчики распознавания лиц. Интегрируются в системы видеоконтроля, которые способны узнавать домочадцев и поднимать тревогу при появлении в зоне контроля неизвестного человека.
- Детекторы распознавания номеров автомобилей. Аналогичное устройство, но только способное считывать не лица, а номера авто. Так, при подъезде своей машины, устройство подаст сигнал на приводы электромоторов для открывания ворот.
- Датчик влажности. Используется для определения необходимости полива комнатных или садовых растений. При снижении уровня влажности почвы ниже установленного значения, прибор известит об этом владельца звуковым сигналом или при помощи СМС.
Как видим, датчики для системы управления «умного дома» выступают в качестве органов чувств. Чем больше их, и чем разнообразнее их функционал, тем больше возможностей предоставляет комплекс smart-house своему владельцу.
Сколько стоит умный дом
А теперь о финансовых затратах. Все приборы, о которых я рассказал в этой статье стоят и успешно работают в моем доме. Вся автоматика по управлению отоплении обошлась мне в 35 000 рублей, сигнализация и датчики в 7 000 рублей, а блок управления с вентиляторами 3 400 рублей. Согласитесь, что «Умный дом» за 45 000 рублей, не так уж и дорого.
Вот и все что я хотел рассказать о том, как сделать умный дом своими руками. Современные управляющие устройства имеют много других функций. Так у моего устройства есть три силовых реле, которые могут включать электрические приборы мощностью до 3 кВт. Это могут быть:
- Кондиционеры, если температура воздуха в доме уйдет за верхний предел, настроенный на датчике температуры;
- Электрические конвекторы, если остановился котел, и температура в доме упала ниже установленной минимальной температуры;
- Освещение, которое может включаться автоматически или по вашей команде.
Надеюсь, что эта статья поможет вам определиться, стоит ли делать умный дом своими руками. В следующей статье я расскажу о системах энергосбережения.
РЕКОМЕНДУЮ ЕЩЁ ПОЧИТАТЬ:
Пример HTML-страницы
Допустимые показатели работы гигрометров
Существую несколько типов гигрометров, для того чтобы выбрать правильный, прежде всего учитывают зону измерений: жилое, общественное, промышленное здание или с высоким уровнем влажности, к примеру, бассейн или баня.
Для объектов с возвышенной влажностью диапазон измерения гигрометра должен быть от 20 до 100 %, а в остальных случаях — от 20 до 70%.
Далее выбирают точность измерения. Для более точных, например, при контроле влажности в определенных производственных процессах, цена деления должна быть не менее чем 1%. Для бытовых нужд, а также для бань и саун вполне допустимыми для контроля относительной влажности будут гигрометры с ценой деления 2–3%.
Для этого типа измерителей огромное значение имеет выбранный рабочий температурный диапазон, поскольку Т и φ воздуха взаимосвязанные характеристики. Для бытовых нужд достаточно выбрать гигрометр, способный функционировать при температурах от −15 до + 70 градусов. Для производственных помещений «горячей сетки», верхний предел должен быть с не менее 120 °С.
Как подключить
В самом простом варианте подключение датчика выполняется в разрыв проводника фазы, подводимого непосредственно к лампе. Данный способ прекрасно работает в абсолютно темных помещениях, где нет ни одного окна. В этом случае проводники фазы и нуля заводятся в датчик со стороны входа и подключаются к соответствующим клеммам L и N. На выходе фазный провод идет далее к лампе накаливания, а нулевой проводник соединяется с ближайшим нулем электрической цепи.
При использовании датчика для включения света на улице, дополнительно понадобится фотореле или датчик освещенности, работающий в автоматическом режиме. Вместо него на линии может быть установлен отдельный выключатель, включаемый и выключаемый вручную. Таким образом, предотвращается ненужное включение света при наличии нормального естественного освещения.
Подобные дополнительные комбинирующие устройства также устанавливаются в разрыв фазы. Если используется фотореле, его нужно устанавливать перед датчиком движения. За счет этого питание к прибору будет поступать только с наступлением темноты, а днем он находится в выключенном состоянии. Срок службы датчика движения существенно увеличивается, поскольку его ресурс ограничен определенным количеством срабатываний.
Существенным недостатком данных схем является невозможность длительного использования включенного освещения. Свет будет сразу же пропадать после прекращения движения. Этого можно избежать путем параллельного подключения совместно с детектором обычного выключателя. Когда он находится в выключенном положении, будет работать датчик. После включения датчик перестает работать и свет горит на протяжении всего времени до прерывания цепи выключателем.
Принцип работы и преимущества
Работа устройства основана на замыкании силовой цепи при улавливании движения в зоне контроля. Индикация происходит посредством различных технологий, в зависимости от принципа работы датчика движения. Например, инфракрасный фиксирует изменения уровня теплового излучения (повышение температуры окружающей среды более чем на 5 градусов Цельсия).

Уличный датчик обеспечит безопасность передвижения в темное время суток

Датчик, фиксирующий движение, на выключателе
Применение датчиков движения для включения света дает следующие преимущества:
- экономия электроэнергии;
- отсутствие необходимости искать и подходить к выключателю;
- использование дополнительных функций: возможность подключения групп дополнительных электрических приборов, во многих моделях реализована беспроводная работа.
Из недостатков подобных сенсоров можно выделить достаточно высокую стоимость и сложности установки и настройки датчиков для правильной работы.
Отличие от датчика присутствия
Обыватели не всегда ясно представляют себе разницу между датчиками движения и датчиками присутствия. А разница заключается в самой технологии определения наличия объекта в зоне. Так, датчик движения не всегда способен «заметить» медленно движущийся объект. А датчики присутствия грешат тем, что реагируют даже на сквозняк или мелких грызунов при использовании в складских помещениях.






![Полное руководство по настройке умного дома [обновлено в 2023 г.] - howtl](http://peresvet-team.ru/wp-content/uploads/1/d/5/1d5fafe9b16e66c42befc5f88b18911b.jpeg)




















